ocivm.com > LEED / AES Spectrometers > LEED 600 MCP (Model BDL600IR-MCP)

LEED 600 MCP (Model BDL600IR-MCP)

Compact LEED for Organic Films & Molecular Beam Epitaxy

Conventional back-display LEED-AES spectrometer featuring unique design, performance and gain power of microchannel plates.

Description

The LEED 600 MCP has LEED and AES capabilities using a miniature electron gun, set of concentric grids and a conductive, phosphor coated screen. In addition, this optic model incorporates the high gain of microchannel plates. It is an extremely reliable high-performance LEED instrument which operates with up to date digital power supply. The retraction mechanism has outstanding mechanical properties ensuring smooth day-to-day operation as experienced by our large user base over decades. The wide viewing angle (92° at 51mm sample distance) and minimal shadowing of the screen by the miniature electron gun give a maximum visible LEED pattern.


Features

  • High Image Sensitivity at the Primary Beam Current – 50 pA
  • Single/Dual 75 mm Microchannel Plates
  • AES at Beam Current 50 µA – 10 µA
  • Large Angle (92°) Fluorescent LEED Display and superior magnetic shielding
  • Miniature electron gun with large coherence width and dual lenses
  • Suitable for ESDIAD
  • Convenient LEED Image Capture with External CCD Camera
  • Simple and Powerful Operation with Digital Controller

Applications

The LEED 600 MCP is especially good at providing LEED and AES data of organic samples. The compact size allows for easy installation to smaller UHV systems and the gain from the MCPs allows for better focusing of LEED imaging.

Drawings

For seamless integration, 3D step files are available for all models.

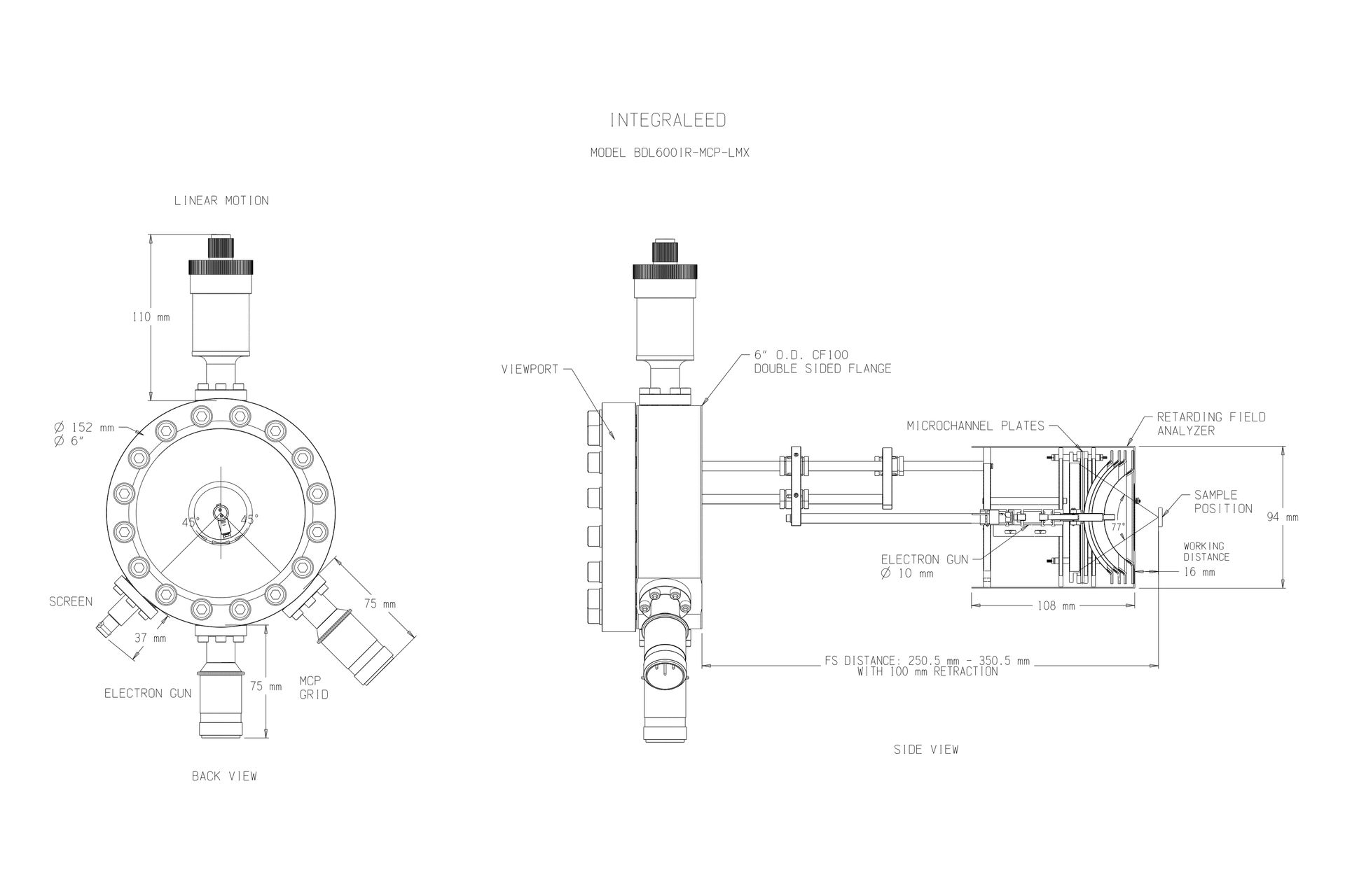
Layout of LEED 600 MCP (Model BDL600IR-MCP) optic.

LEED 600 MCP (Model BDL600IR-MCP) calculation formula for Flange-Sample distance and Retraction length:
FS = 150.5mm + 2 LMX – OV; where FS is the flange to sample distance, LMX is the retraction length and OV is the overlapping length.

Front view of LEED 600 MCP (Model BDL600IR-MCP) optic.
Rear view of LEED 600 MCP (Model BDL600IR-MCP) optic.
Side view of LEED 600 MCP (Model BDL600IR-MCP) optic.

Key Specifications

Please detailed specifications, download LEED 600 MCP Configuration and Specifications (PDF).

Optics
Glass-display Fused silica coated with indium-tin oxide conductive layer and P31 phosphor (ZnS:Ag:Cu-green, 525 nm wavelength)
Acceptance angle 92 °C angle of acceptance from sample at a distance of 51mm
Retarding Field Analyser Concentric assembly of hemispherical grids
Working distance 15mm from sample
Grid material Gold coated tungsten wire mesh (100 mesh, 81% transparency)
Energy Resolution 0.2% - 0.5% at low modulation voltages
Monitoring 6" standard viewport
Linear motion up to 100mm retraction from sample; linear ball bearing and acme thread with all spring electr. connections
Magnetic shielding Mu-metal cylinder with front cover for maximum attenuation
Assembly Extreme-high-vacuum compatibility with stainless steel, high alumina and Au-plated copper alloy materials
Mounting 6"(CF100) double sided conflat flange with sample distance 145mm – 400mm
Bakeability Under vacuum, 250 °C maximum
Integral Miniature Electron Gun
Beam energy system LEED – 5 eV to 750 eV, AES – 5 eV to 3000eV
Beam current LEED – 2 µA at 100 eV and 0.5mm beam size, AES - up to 100 µA at 3 keV
Beam size from 1mm to 250 µm - adjusted by Wehnelt potential, limited by exchangeable aperture down to 50 µm
Electron source Tungsten-2% thoriated filament standard,
single crystal LaB 6 filament optional
Energy spread 0.45 eV (thoriated - tungsten filament)
Overall size 10mm lens diameter and 80mm length

Configuration Guide

The LEED 600 MCP optics is controlled using either a LPS075-D or LPS300-D power supply. The LPS075-D is used to operate the optic in LEED mode only whereas the LPS300-D in conjunction with the LOA10-AES lock-in controller and AUS30 input coupler is used to operate the optics in LEED and AES modes. LaB6 filament (Model LaB6) is an option.

For more information, download LEED 600 MCP Configuration and Specifications (PDF).

Brochure