LEED 600 (Model BDL600IR)
Compact LEED to Fit Smaller UHV Systems
Figure 2. Model LPS075-D power supply for LEED operation.
Figure 3. Model LPS300-D and LOA10-AES power supply for LEED and AES operation.
Figure 4. MultiLEED Software.
Figure 5. AES Software.
Figure 6. AES Software Images - element composition.
Figure 7. LEED pattern of Komori Si(111) t51 sample.
Figure 8. Ni (100): a) 110 eV b) O2 reconstruction c) H2 reconstruction.
Figure 9. Auger spectrum of Iron (thick layer) on Magnesium Oxide.
Figure 10. Auger spectrum of Silicon (111).
Description
The LEED 600 with integral shutter has LEED and AES capabilities using a miniature electron gun, set of concentric grids and a conductive, phosphor coated screen. It is an extremely reliable high-performance LEED instrument which operates with up to date digital power supply. The retraction mechanism has outstanding mechanical properties ensuring smooth day-to-day operation as experienced by our large user base over decades. The wide viewing angle (90° at 51mm sample distance) and minimal shadowing of the screen by the miniature electron gun give a maximum visible LEED pattern.
Features
- High energy & image resolution for LEED and AES with no Moire pattern interference
- Large Angle (90°) fluorescent LEED display and superior magnetic shielding
- Miniature electron gun with large coherence width and dual lenses
- Suitable for in-situ film growth monitoring
- Low outgassing rate
- Convenient LEED image capture with external CCD camera
- Simple and powerful operation with digital controller
Applications
The LEED 600 is capable of providing LEED and AES data for a wide range of samples. The compact size allows for easy installation to smaller UHV systems.
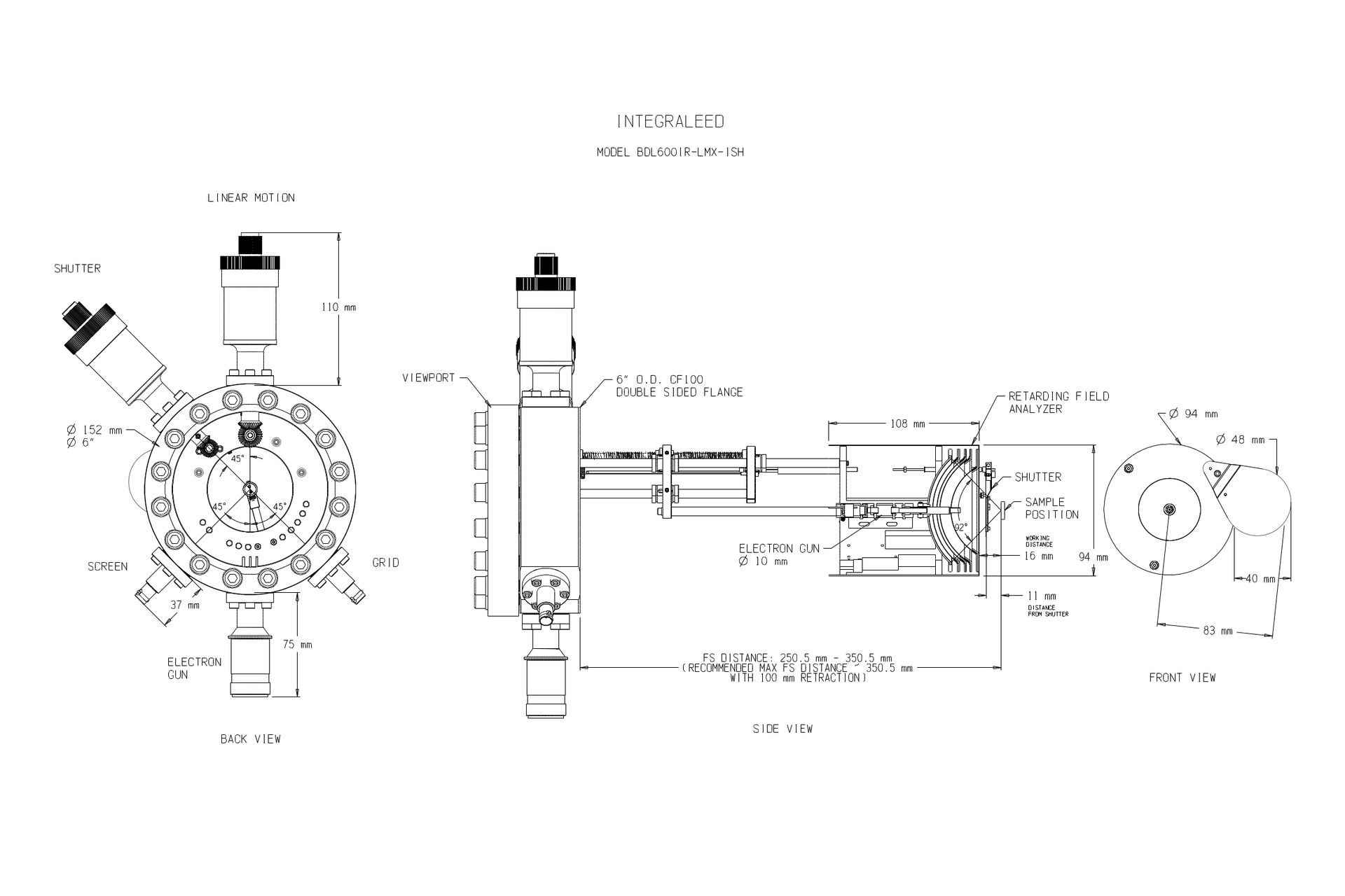
Drawings
For seamless integration, 3D step files are available for all models.
LEED 600 (Model BDL600IR) calculation formula for Flange-Sample distance and
Retraction length:
FS = 150.5mm + 2 LMX – OV; where FS is the flange to sample distance, LMX is the retraction
length and OV is the overlapping length.
Key Specifications
For detailed specifications, download LEED 600 Configuration & Specifications (PDF).
| Optics | |
|---|---|
| Glass-display | Fused silica coated with indium-tin oxide conductive layer and P31 phosphor (ZnS:Ag:Cu-green, 525 nm wavelength) |
| Acceptance angle | 90 °C angle of acceptance from sample at a distance of 51mm |
| Retarding Field Analyser | Concentric assembly of hemispherical grids |
| Working distance | 15mm from sample |
| Grid material | Gold coated tungsten wire mesh (100 mesh, 81% transparency) |
| Energy Resolution | 0.2% - 0.5% at low modulation voltages |
| Monitoring | 6" standard viewport |
| Linear motion | up to 150mm retraction from sample (100mm standard); linear ball bearing and acme thread with all spring electr. connections |
| Integral Shutter | Manual shutter driven by a rotary feedthrough |
| Magnetic shielding | Mu-metal cylinder with front cover for maximum attenuation |
| Assembly | Extreme-high-vacuum compatibility with stainless steel, high alumina and Au-plated copper alloy materials |
| Mounting | 6"(CF100) double sided conflat flange with sample distance 145mm – 500mm |
| Bakeability | Under vacuum, 250 °C maximum |
| Integral Miniature Electron Gun | |
| Beam energy system | LEED – 5 eV to 750 eV, AES – 5 eV to 3000eV |
| Beam current | LEED – 2 µA at 100 eV and 0.5mm beam size, AES - up to 100 µA at 3 keV |
| Beam size | from 1mm to 250 µm - adjusted by Wehnelt potential, limited by exchangeable aperture down to 50 µm |
| Electron source | Tungsten-2% thoriated filament standard, single crystal LaB6 filament optional |
| Energy spread | 0.45 eV (thoriated - tungsten filament) |
| Overall size | 10mm lens diameter and 80mm length |
Configuration Guide
The LEED 600 optics is controlled using either a LPS075-D or LPS300-D power supply. The LPS075-D is used to operate the optic in LEED mode only whereas the LPS300-D in conjunction with the LOA10-AES lock-in controller and AUS30 input coupler is used to operate the optics in LEED and AES modes. Integral shutter (Model ISH-6) and LaB6 filament (Model LaB6) are further options.
For more information, download LEED 600 Configuration & Specifications (PDF).
Brochure
- LEED 600 Brochure (PDF)



