ocivm.com > LEED / AES Spectrometers > mini-LEED with Integral Shutter: LEED 450 (Model BDL450)
Figure 2. Model LPS075-D power supply for LEED operation.
Figure 3. Model LPS300-D and LOA10-AES power supply for LEED and AES operation.
Figure 4. MultiLEED Software.
Figure 5. AES Software.
Figure 5. AES Software Images - element composition.
Figure 6. LEED pattern of a CuAl (111) sample with 125 eV beam energy.
Figure 7. LEED pattern of CuAl (111) with 108 eV beam energy.
Figure 8. LEED pattern of CuAl (111) with 22-108 eV beam energy.
Figure 9. EED pattern of Graphene on Iridium (111) with 74 eV beam energy.
Figure 10. Auger spectrum of TiO2.
Figure 11. Auger spectrum of SrTiO3.
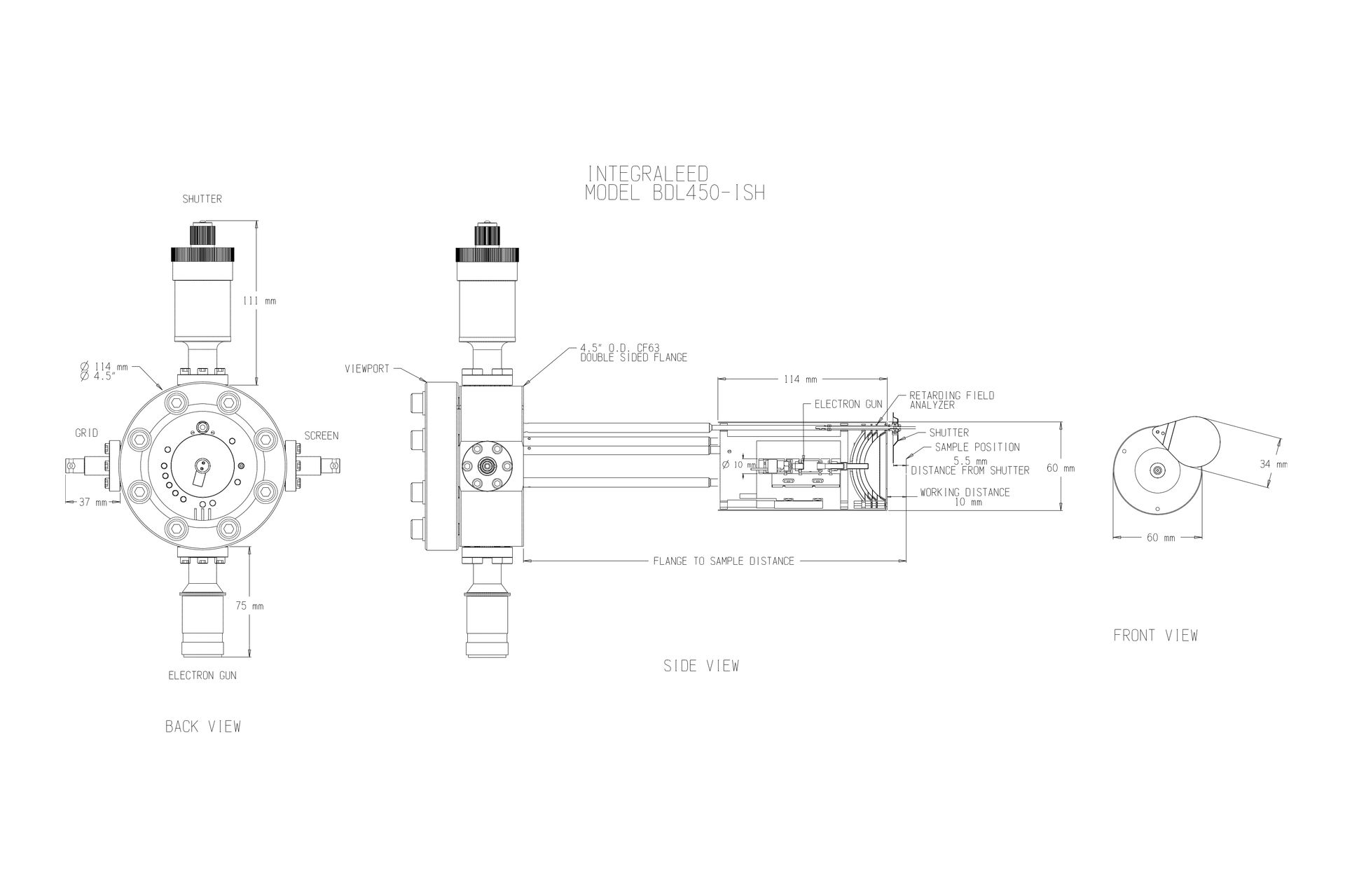
The LEED 450 with integral shutter has LEED and AES capabilities using a miniature electron gun, set of concentric grids and a conductive, phosphor coated screen. It is an extremely reliable high-performance LEED instrument which operates with up to date digital power supply. The wide viewing angle (90° at 32mm sample distance) and minimal shadowing of the screen by the miniature electron gun give a maximum visible LEED pattern.
The LEED 450 is capable of providing LEED and AES data for a wide range of samples. The miniature size allows for integration into any UHV system.
For seamless integration, 3D step files are available for all models.
External LMX length calculation for LEED 450 (Model BDL450):
FS = OL + WD; where FS is the flange to sample distance, OL is the fixed optic length and WD is the working distance.
FS = PL + B + OV where PL is the port length, B is the minimum bellow length and OV is the overlapping value.
For detailed specifications, download LEED 450 Configuration & Specifications (PDF)
| Optics | |
|---|---|
| Glass-display | Fused silica coated with indium-tin oxide conductive layer and P31 phosphor (ZnS:Ag:Cu-green, 525 nm wavelength) |
| Acceptance angle | 90 °C angle of acceptance from sample at a distance of 32mm |
| Retarding Field Analyser | Concentric assembly of hemispherical grids |
| Working distance | 10mm from sample |
| Grid material | Gold coated tungsten wire mesh (100 mesh, 81% transparency) |
| Energy Resolution | 0.8% at low modulation voltages |
| Monitoring | 4.5" standard viewport |
| Linear motion | External nipple with bellow up to 150mm retraction from sample |
| Integral Shutter | Manual shutter driven by a rotary feedthrough |
| Magnetic shielding | Mu-metal cylinder with front cover for maximum attenuation |
| Assembly | Extreme-high-vacuum compatibility with stainless steel, high alumina and Au-plated copper alloy materials |
| Mounting | 4.5"(CF63) double sided conflat flange with sample distance 145mm – 580mm |
| Bakeability | Under vacuum, 250 °C maximum |
| Integral Miniature Electron Gun | |
| Beam energy system | LEED – 5 eV to 750 eV, AES – 5 eV to 3000eV |
| Beam current | LEED – 2 µA at 100 eV and 0.5mm beam size, AES - up to 100 µA at 3 keV |
| Beam size | from 1mm to 250 µm - adjusted by Wehnelt potential, limited by exchangeable aperture down to 50 µm |
| Electron source | Tungsten-2% thoriated filament standard, single crystal LaB6 filament optional |
| Energy spread | 0.45 eV (thoriated - tungsten filament) |
| Overall size | 10mm lens diameter and 80mm length |
The LEED 450 optics is controlled using either a LPS075-D or LPS300-D power supply. The LPS075-D is used to operate the optic in LEED mode only whereas the LPS300-D in conjunction with the LOA10-AES lock-in controller and AUS30 input coupler is used to operate the optics in LEED and AES modes. Integral shutter (Model ISH-45) and LaB6 filament (Model LaB6) are further options.
For more information, download LEED 450 Configuration & Specifications (PDF)